We deliver to more than 25 countries
info@sgarden.cz
We focus especially on spare parts, just click!
Log in
/
Registration
Sign In
E-mail:
Password:
Stay logged in
Log in
Forgot your password?
I'm new here:
register
/
Log off
EN
€
CS
EN
€
Kč
Your
CART
Awaiting fulfillment
ks
Empty cart
Order
Are you
sure
to empty your cart?
Yes, empty
I don't want to
,
,
Spare parts
Everything for your machines
Spare parts
>
STIGA
>
Lawn Mower
>
TURBO 48S 4-SPEED TURBO 48S 4-SPEED (1998)
>
Transmission Rear Wheels
Back to
TURBO 48S 4-SPEED
TURBO 48S 4-SPEED (1998)
Transmission Rear Wheels
TURBO 48S 4-SPEED
TURBO 48S 4-SPEED (1998)
Hover mouse on parts list
Wheel:
Zoom, left button:
Movement
Other parts
For
TURBO 48S 4-SPEED (1998)
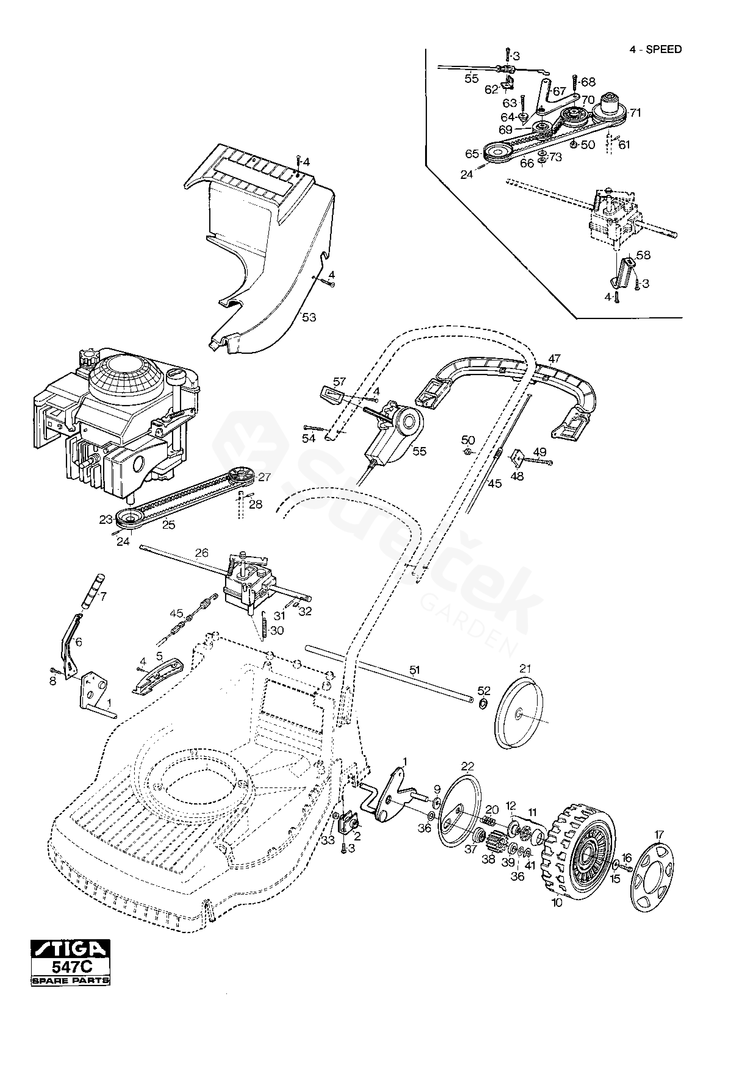
1
Rear axle
1111-2808-01
2
Bushing
1111-2814-01
3
Screw
9947-0616-16
4
Screw
9838-9522-12
5
Height Adjusting Plate
1111-2798-01
6
Lever, Height Adjustment
1111-2816-01
7
Lever Knob
1111-2817-01
9
Washer
9699-0037-02
10
Wheel
1111-2665-01
11
Ball Bearing
1111-9047-01
12
Outer Ring
1111-1184-01
15
Flat washer
9699-0100-02
16
Screw
9943-0612-16
17
Hub Cap (190) Yellow
1111-3085-01
20
Spring
1111-3060-01
21
Wheel Cover
1111-2782-01
22
Cover Plate
1111-2561-01
23
Engine Belt Pulley
1111-2915-01
24
Screw
9910-0612-16
25
V-Belt
1111-9061-01
26
Transmission
1111-3046-01
27
Belt Pulley (Od=60 Mm)
1111-3047-01
30
Tension Spring
1111-2822-01
31
Pin
1111-2382-01
33
Seal Ring
9404-0083-00
36
Washer
9695-0013-00
37
Washer
1111-2829-01
38
Gear Wheel
1111-3075-01
39
Washer
1111-2830-01
41
Circlip
9652-0010-04
45
Clutch Cable
1111-2967-01
47
Clutch Lever
1111-2954-01
48
Cable Holder
1111-2969-01
52
Starlock
9675-0017-02
53
Cover (Yellow)
1111-2794-01
54
Screw
9838-9540-12
55
Variator Control
1111-2971-01
57
Knob
1111-2941-01
58
Bracket
1111-2943-01
61
Locating Pin
9594-0026-00
62
Attachment
1111-2469-01
63
Screw
9943-0650-16
64
Spacer
1111-2423-01
65
Belt Pulley
1111-2433-01
66
V-Belt
1111-9065-01
67
Tension Arm
1111-2942-01
68
Screw
9997-0630-12
69
Tension Roller
1111-2747-01
70
Belt Pulley
1111-2746-01
71
Variator Assy
1111-3001-01
73
Washer
9699-0060-02