EN
Your CART
Awaiting fulfillment

ks
Empty cart Order
Are you
sure
to empty your cart?
Yes, empty I don't want to
Spare parts
Everything for your machines
Chassis Steering
GARDEN MULTICLIP GARDEN MULTICLIP (1999) [13-2312-22]
Hover mouse on parts list
Wheel: Zoom, left button: Movement
Other parts For GARDEN MULTICLIP (1999) [13-2312-22]
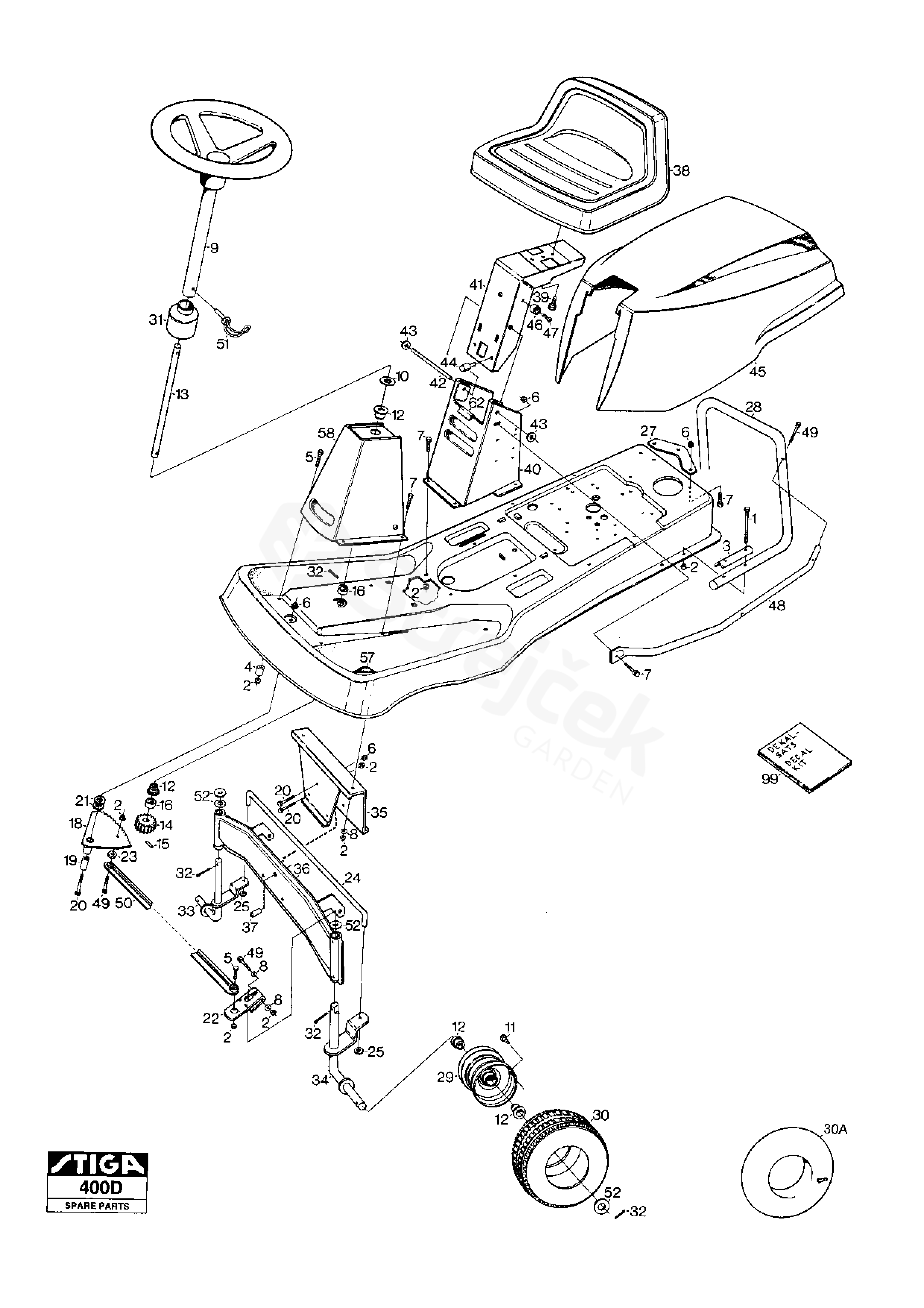
1 Screw 9997-0890-12
2 Nut 9747-0831-02
3 Tube Plate 1134-3165-01
5 Screw 9997-0830-16
6 Nut 9739-0831-22
7 Screw 9997-0820-16
8 Washer 9699-0090-02
9 Steering wheel 1134-3192-01
10 Washer
1.5 mm
1134-0341-01
11 Valve Assy. 9545-0500-00
12 Bearing
Sats 4 st/kit of 4
1134-9024-01
13 Steering Column 1134-3190-01
14 Sprocket 1134-3086-01
15 Locating Pin 9595-0258-00
16 Spacer 1134-3162-01
18 Toothed Segment 1134-3080-02
19 Spacer 1134-1565-01
20 Screw 9997-0855-12
21 Washer 9699-0056-02
22 Steering Arm 1134-3115-01
23 Spacer 1134-3113-01
24 Tie Rod 1134-2096-02
25 Starlock 9675-0015-02
27 Towing Eyelet
2023-62
1134-1774-01
28 Bumper 1134-3140-01
29 Fälg 1134-3726-01
30 Tyre
11 x 4.00 - 4
9545-0114-00
31 Steering Rod Sleeve 1134-3166-01
32 Cotter Pin 9599-0080-02
33 Spindle R.H. 2000 1134-3118-01
34 Spindle L.H. 2000 1134-3120-01
35 Front Axle Bracket 1134-3107-01
36 Front Axle 1134-3151-01
37 Spacer Tube 1134-3155-01
38 Seat 1134-3238-01
39 Screw 9988-3919-16
40 Seat Bracket (Yellow) 1134-3135-01
41 Seat Support 1134-3138-01
42 Control Rod 1134-0022-00
43 Starlock 9675-0017-02
44 Spring 1134-3134-01
45 Engine Hood Yellow 1134-3091-01
46 Button 1134-3163-01
47 Screw 9849-8013-16
48 Tubing 1134-3139-01
49 Screw 9997-0845-12
50 Tie Rod 1134-3247-01
51 Locking Clip 1134-3167-01
57 Floor Mat 1134-3537-02
58 Steering Console (Yellow) 1134-3199-01
62 Trim 1134-3281-01
99 Label Kit 1134-3922-01
57A Floor Mat-R.H.
Ej ill/not ill.
1134-3149-02