We deliver to more than 20 countries
info@sgarden.cz
We focus especially on spare parts, just click!
Log in
/
Registration
Sign In
E-mail:
Password:
Stay logged in
Log in
Forgot your password?
I'm new here:
register
/
Log off
EN
€
CS
EN
€
Kč
Your
CART
Awaiting fulfillment
ks
Empty cart
Order
Are you
sure
to empty your cart?
Yes, empty
I don't want to
,
,
Spare parts
Everything for your machines
Spare parts
>
Husqvarna
>
LAWN MOWERS: CONSUMER WALK-BEHINDS
>
JET 55 JET55S 1995-03
>
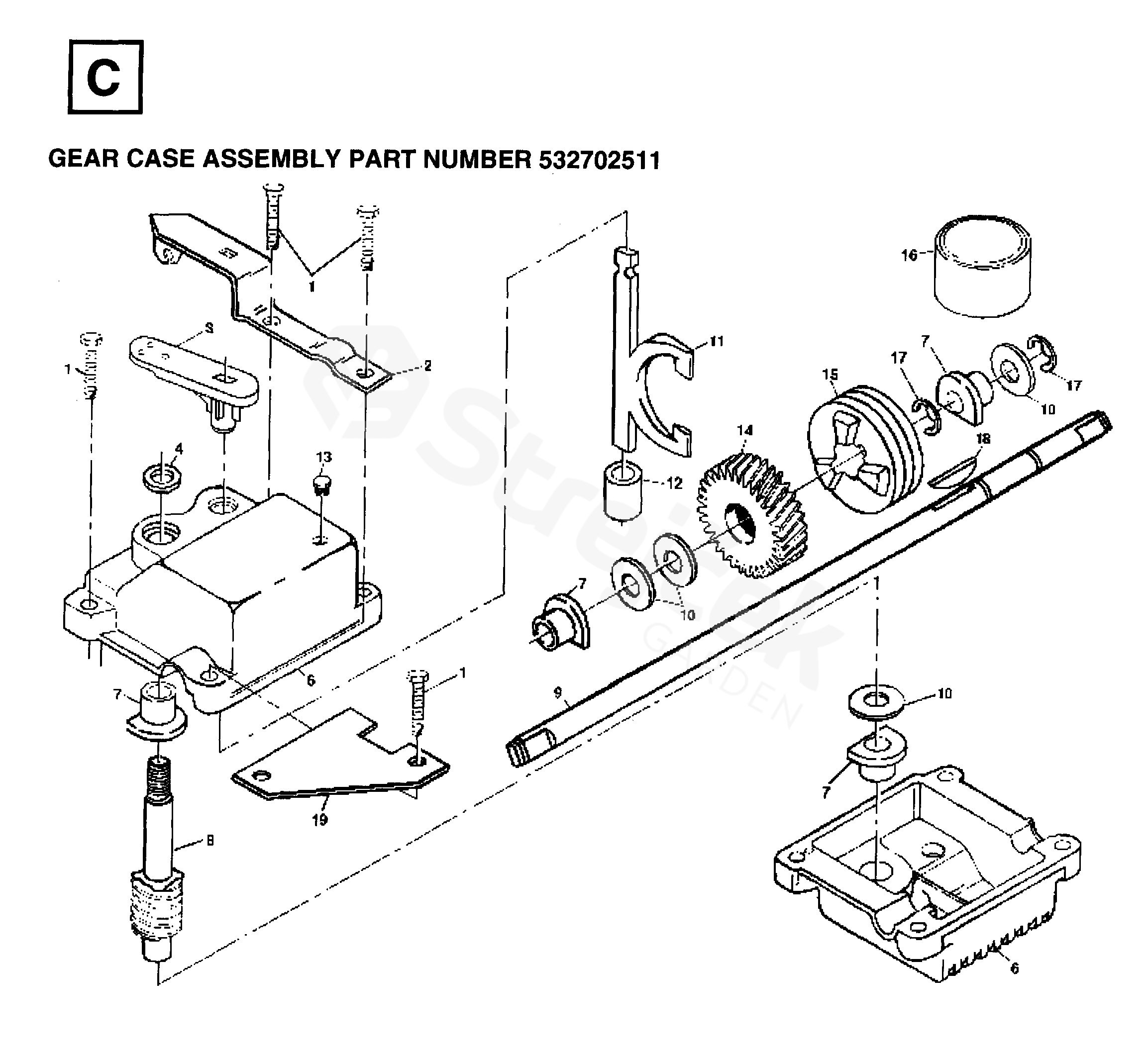
GEAR CASE
Back to
JET 55
JET55S 1995-03
GEAR CASE
JET 55
JET55S 1995-03
Hover mouse on parts list
Wheel:
Zoom, left button:
Movement
Other parts
For
JET55S 1995-03
1
SCREW
817490416
2
BRACKET
532140269
3
SHIFTER
532137053
4
SEALING
532057072
6
GEAR CASE
532048373
7
BEARING
532077881
8
SHAFT
532131481
9
CLUTCH
532750436
10
WASHER
532057079
11
LEVER
532131484
12
BUSHING
532700343
13
PLUG
532086447
14
PINION
532133804
15
CLUTCH
532750436
16
GREASE
532750369
17
RETAINING RING
812000003
18
KEY
532850848
19
SPRING
532125441
20
WOODRUFF KEY
532065692
21
PINION
532083680