EN
Your CART
Awaiting fulfillment

ks
Empty cart Order
Are you
sure
to empty your cart?
Yes, empty I don't want to
Spare parts
Everything for your machines
Housing
XC 48 P XC 48 P (2013)
Hover mouse on parts list
Wheel: Zoom, left button: Movement
Other parts For XC 48 P (2013)
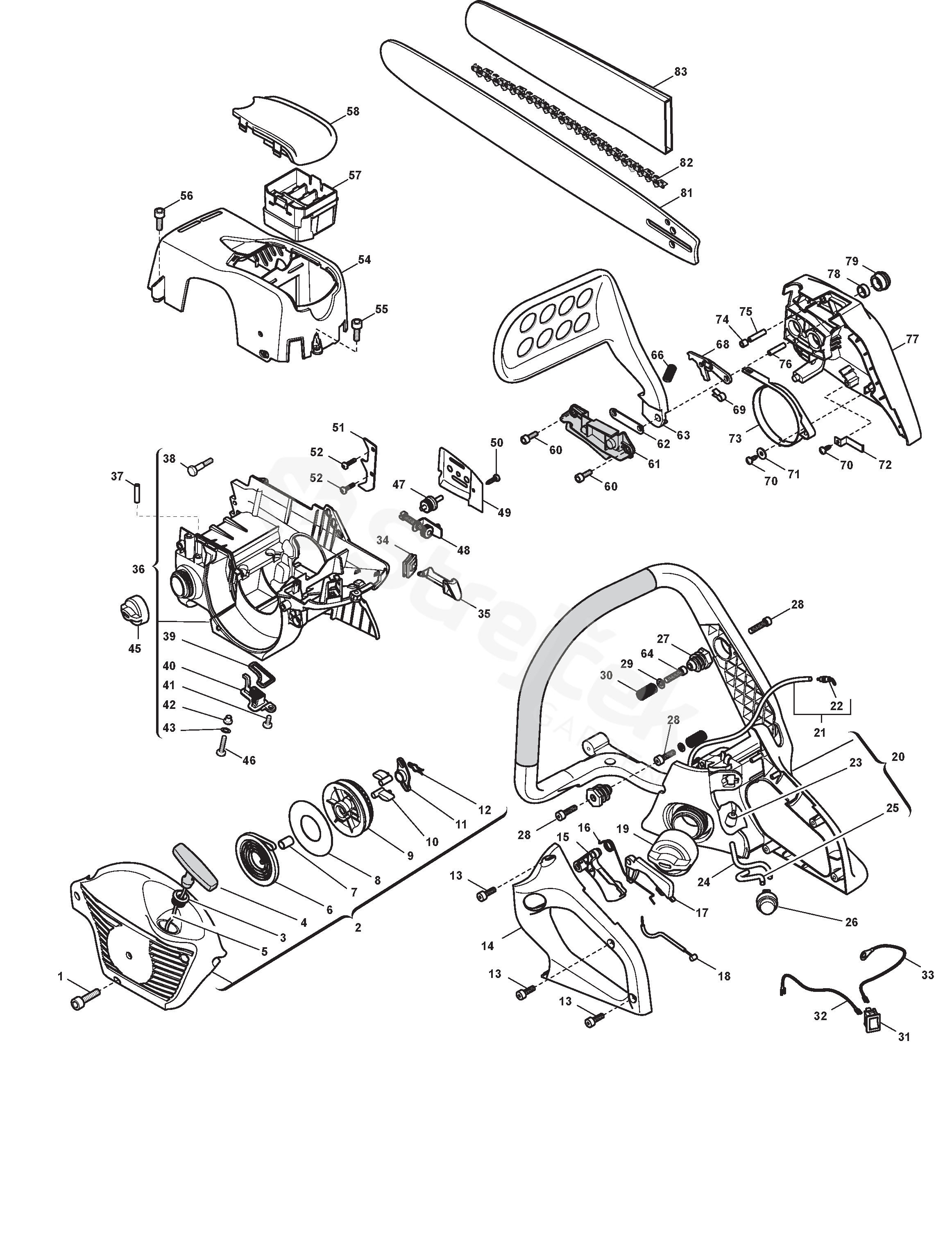
1 Screw 2123030
2 Carter Assy Red 383058005/0
3 Bushing 3611290
4 Starter Handle 3749437
5 Starter cord 3784030
6 Starter Spring 4611480
7 Bushing 3623590
8 Disc For Starter Spring 3723640
9 Starter Pulley 3750130
10 Starter Hook 3750080
11 Starter Hook Guide 3750140
12 Retainer 3657480
13 Screw 2123100
14 Handle Cover 323109506/0
15 Throttle Lever For Cable 3743587
16 Molla Leva Accel. E Sicurezza 360-41 1L3654440/1
17 Safety Lever 3743597
18 Throttle Cable 123066002/0
19 Fuel Tank-Cap Ass.Y 383790000/0
20 Handle Assy, Grey 383300003/0
21 Mix Vent Tube 4253580
22 Breather Valve Assy 4253680
23 Intake 3L8783140/2
24 Air Purge Line 323867000/0
25 Air Purge Line 3786180
26 Primer Pump 123018000/0
27 Welch Plug 323790003/0
29 Flat washer 2312090
30 Spring 123430555/0
31 Stop Switch 3210970
32 Stop Wire 123065007/0
33 Ground Cable 3211380
34 Grommet 323275002/0
35 Air Lever 323315059/0
36 Engine Case Ass.Y 383057000/0
37 Oil Tube Assy 3L4353090/1
38 Screw 1L2112460/1
39 Gasket 323280002/0
40 Oil Filter Assy 323520000/0
42 Bushing 123044201/0
45 Tank Cap 383790001/0
46 Screw 2135060
47 Pin 123510091/0
48 Chain Tensioner 383810000/1
49 Bar Plate 323311001/0
50 Screw 2123060
51 Spike 323026000/0
54 Red Cylinder Cover 323087004/0
57 Air Filter 323220000/0
58 Air Filter Cover 323109504/0
61 Cover 323109505/0
62 Brake Plate 3614490
63 Hand-Guard 383455001/0
64 Screw 2135040
66 Brake Spring 123430553/0
68 Chain Brake Lever 4252310
69 Spring 3614780
71 Washer 2312100
72 Plate 3612400
73 Brake Band 323448000/0
74 Bushing 2382100
75 Roller 112622630/0
76 Pin 3180390
77 Clutch Housing Red 323059007/0
78 Bushing 3643000
79 Nut 2670270
81 Guide Bar 18inch 123900101/0
82 Chain 16inch 4113713
83 Chain Cover 18inch 4181497