EN
Your CART
Awaiting fulfillment

ks
Empty cart Order
Are you
sure
to empty your cart?
Yes, empty I don't want to
Spare parts
Everything for your machines
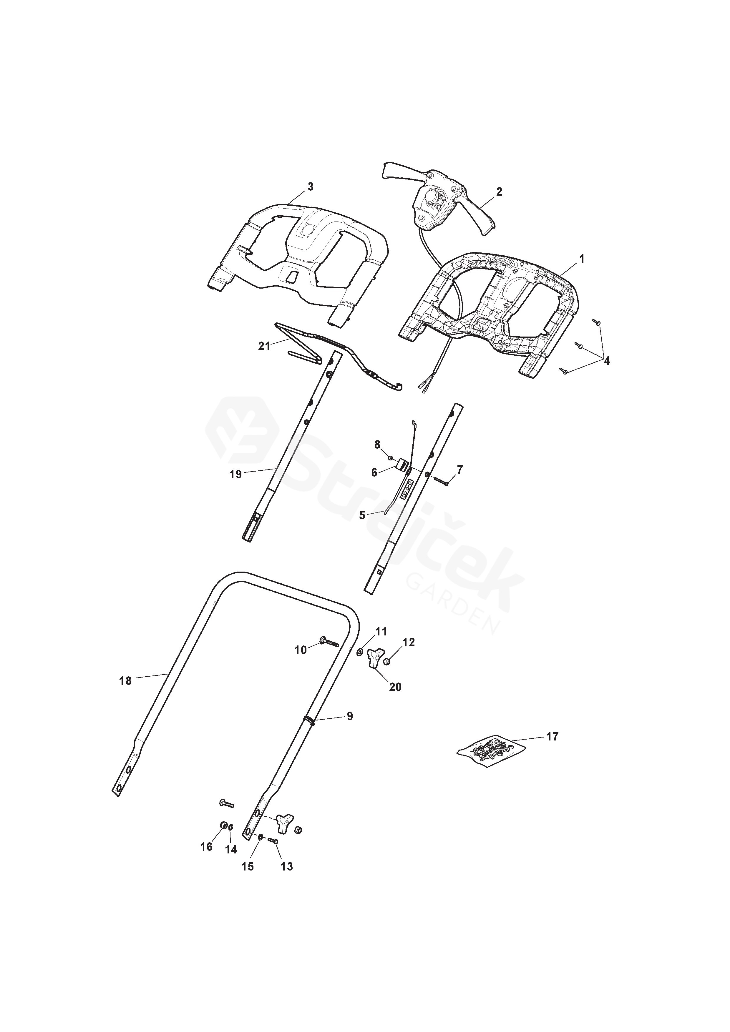
Handle
VL 50 Tli VL 50 Tli (2018)
Hover mouse on parts list
Wheel: Zoom, left button: Movement
Other parts For VL 50 Tli (2018)
1 Lower Half Handgrip Switch
Black
322291079/0
2 Dead Hand Switch - Battery 381600558/0
3 Upper Half Handgrip Switch
Black
322291078/0
4 Screw 112728711/0
5 Clutch Cable 381030124/0
6 Cable Holder 322551640/0
7 Screw 112727783/0
8 Nut 112154510/0
9 Clamp 122192000/1
10 Screw 112819110/0
11 Washer 122671651/0
12 Nut 112293200/0
13 Screw 112760605/0
14 Washer 112521350/0
15 Elastic Washer 112369500/0
16 Nut 112155000/0
17 Outfit
Black
381008730/0
18 Handle, Lower Part Black
Black
381006785/0
20 Black Knob
Black
122399900/0
21 Drive Control Lever 181003439/0