We deliver to more than 25 countries
info@sgarden.cz
We focus especially on spare parts, just click!
Log in
/
Registration
Sign In
E-mail:
Password:
Stay logged in
Log in
Forgot your password?
I'm new here:
register
/
Log off
EN
€
CS
EN
€
Kč
Your
CART
Awaiting fulfillment
ks
Empty cart
Order
Are you
sure
to empty your cart?
Yes, empty
I don't want to
,
,
Spare parts
Everything for your machines
Spare parts
>
ST S p A
>
Trimmer/Brushcutter
>
BK 27 E BK 27 E (2015)
>
Engine
Back to
BK 27 E
BK 27 E (2015)
Engine
BK 27 E
BK 27 E (2015)
Hover mouse on parts list
Wheel:
Zoom, left button:
Movement
Other parts
For
BK 27 E (2015)
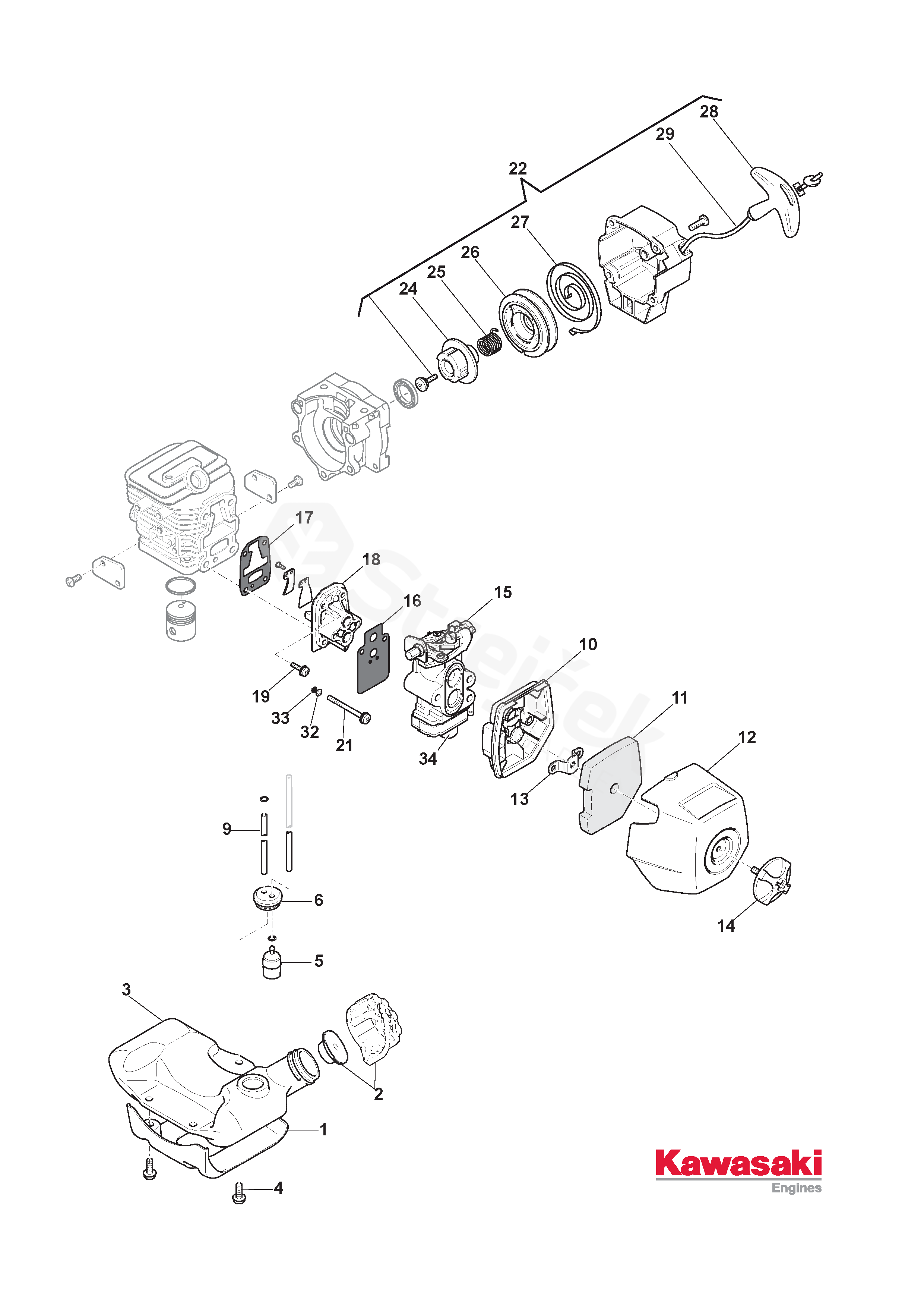
1
Tank Support
118801855/0
2
Oil Cap
118801957/0
3
Fuel Tank
118801890/0
4
Screw
2135030
5
Intake Filter
183520004/0
6
Grommet
118801926/0
9
Tube
118801999/0
10
Air Cleaner Base
118801962/0
11
Air Filter
118801767/0
12
Yellow Filter Cover
118801974/0
13
Baffle
118801835/0
14
Screw
118801939/0
15
Carburetor
118801825/0
16
Carburetor Gasket
118801969/0
17
Cylinder Gasket
118801965/0
18
Breather Valve Ass.Y
118801788/0
19
Screw
2135040
21
Screw
2122210
22
Starter Assy Black
118801876/0
24
Cam
118801864/0
25
Spring
118801996/0
26
Starter Pulley
118801900/0
27
Starter Spring
118801929/0
28
Starter Handle
118801860/0
29
Starter Rope
3X700
118801904/0
32
Washer
2312020
33
Washer
2330020
34
Primer
118805313/0