We deliver to more than 25 countries
info@sgarden.cz
We focus especially on spare parts, just click!
Log in
/
Registration
Sign In
E-mail:
Password:
Stay logged in
Log in
Forgot your password?
I'm new here:
register
/
Log off
EN
€
CS
EN
€
Kč
Your
CART
Awaiting fulfillment
ks
Empty cart
Order
Are you
sure
to empty your cart?
Yes, empty
I don't want to
,
,
Spare parts
Everything for your machines
Spare parts
>
Husqvarna
>
TRACTORS/RIDE MOWERS
>
TC 130 TC 130, 96051018700, 2019-04
>
ELECTRICAL
Back to
TC 130
TC 130, 96051018700, 2019-04
ELECTRICAL
TC 130
TC 130, 96051018700, 2019-04
Hover mouse on parts list
Wheel:
Zoom, left button:
Movement
Other parts
For
TC 130, 96051018700, 2019-04
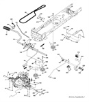
1
BATTERY
532163465
2
BOLT
874760412
8
BATTERY BOX
532419791
16
SWITCH INTERLOCK
532176138
21
CABLE
532400252
22
BULB
532004152
25
CABLE
532416694
26
FUSE
532175158
27
LOCK NUT
596133601
28
CABLE
532421686
29
SWITCH
532401545
30
IGNITION MODULE
532193350
33
KEY
532411935
34
SWITCH
532110712
40
HARNESS
585849901
43
SOLENOID
582042802
46
HOUR METER
594919101
55
SCREW
817060512
71
HARNESS
501133401
79
HOLDER
532175242
87
SWITCH
532421060
90
TERMINAL COVER
532435395
99
SCREW
817670412
106
MATICE
532174814
107
SWITCH
532421061
108
SWITCH
532421062
141
KIT
532416977
142
HARNESS
583857801
143
HARNESS
532448059