We deliver to more than 25 countries
info@sgarden.cz
We focus especially on spare parts, just click!
Log in
/
Registration
Sign In
E-mail:
Password:
Stay logged in
Log in
Forgot your password?
I'm new here:
register
/
Log off
EN
€
CS
EN
€
Kč
Your
CART
Awaiting fulfillment
ks
Empty cart
Order
Are you
sure
to empty your cart?
Yes, empty
I don't want to
,
,
Spare parts
Everything for your machines
Spare parts
>
Husqvarna
>
RIDERS
>
R214 R214
>
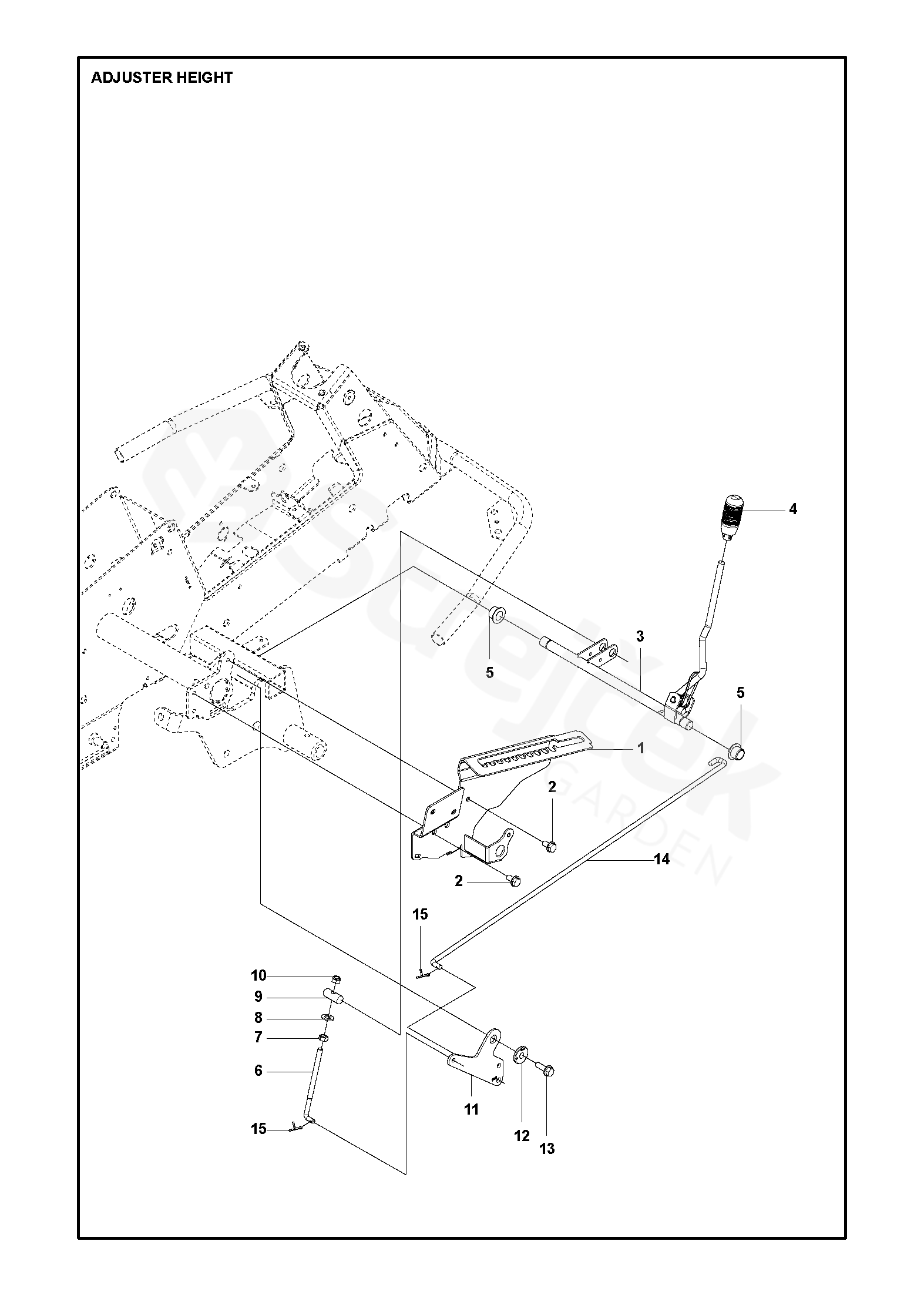
HEIGHT ADJUSTMENT
Back to
R214
R214
HEIGHT ADJUSTMENT
R214
R214
Hover mouse on parts list
Wheel:
Zoom, left button:
Movement
Other parts
For
R214
1
BRACKET
594701302
2
SCREW EHHFM
506570103
3
ADJUSTER
577999901
4
HANDLE
588164101
5
BEARING
584871302
6
HEIGHT ROD
506908201
7
HEXAGON LOCKING NUT
731231801
8
HEXAGON NUT
734117201
9
PEN
506784601
10
LOCK NUT
732211801
11
LINK
578040701
12
PODLOŽKA
584288604
13
SCREW EHHFM
506570105
14
CONNECTION ROD
544227001
15
SPLIT PIN
721618301