EN
Your CART
Awaiting fulfillment

ks
Empty cart Order
Are you
sure
to empty your cart?
Yes, empty I don't want to
Spare parts
Everything for your machines
CHASSIS & ENCLOSURES
LT152 LT152, 96041002901, 2007-04
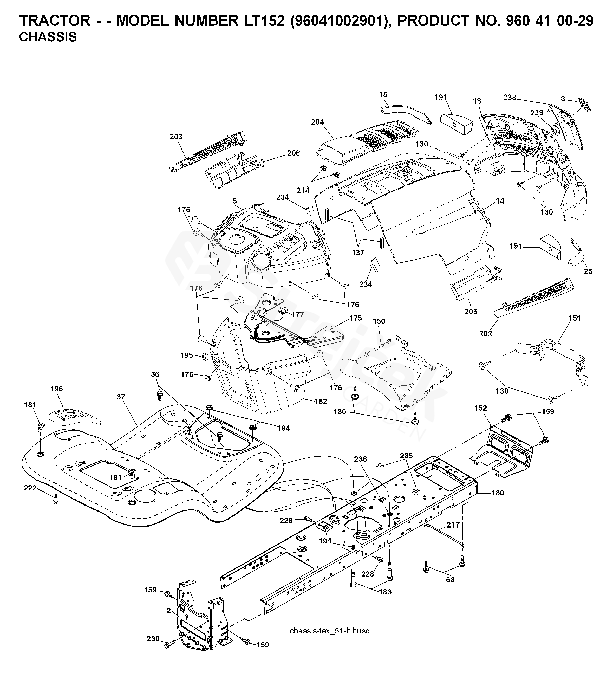
Hover mouse on parts list
Wheel: Zoom, left button: Movement
Other parts For LT152, 96041002901, 2007-04
2 PLATE 532194263
3 LOGOTYPE 532405012
5 PANEL 532407592
14 HOOD 532411073
15 LENS 532411079
18 FRONT COVER 532406667
25 LENS 532411078
36 SCREW 817060512
37 FENDER 532411767
68 SCR5/16-18X1/2 SELFTAP ZN SPEC 817490508
130 SCREW 532191611
137 DAMPING PIECE 532407590
150 AIR CONDUCTOR 532407537
151 BRACKET 532407807
152 SHIELD 532194329
159 SCREW 817000612
175 PLATE 532199472
176 SCREW 532400776
177 BUSHING 532195228
180 CHASSIS 532194260
181 BUSHING 532403025
182 PANEL 532198917
183 BOLT 874780520
191 INSERT 532406665
194 MATICE 873900500
195 PLUG 532411115
196 CONSOLE 532402843
202 AIR CONDUCTOR 532411074
203 AIR CONDUCTOR 532411075
204 AIR CONDUCTOR 532411116
205 FENDER 532411076
206 FENDER 532411077
214 CLIP 532199145
217 SHAFT 532156524
219 ŠROUB 532195161
222 SCREW 532137729
230 BOLT 532170165
234 DAMPING PIECE 532404742
235 1/4-20X3/4 CARR BLT 532406129
236 MATICE 873900500
238 FRONT COVER 532411119
239 CLIP 532404883