EN
Your CART
Awaiting fulfillment

ks
Empty cart Order
Are you
sure
to empty your cart?
Yes, empty I don't want to
Spare parts
Everything for your machines
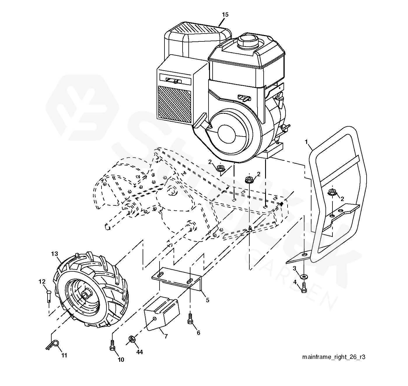
MAINFRAME, RIGHT SIDE
CT2105R CT2105R, 96091000108, 2011-05
Hover mouse on parts list
Wheel: Zoom, left button: Movement
Other parts For CT2105R, 96091000108, 2011-05
1 FENDER 532185190
2 MATICE 873970500
3 PODLOŽKA 819111116
4 BOLT 874760512
5 HOLDER 532102332
6 BOLT 874760528
7 COUNTERWEIGHT 532102173
10 BOLT 874760524
11 RETAINING RING 532124788
12 RIVET 532126875
13 TIRE 532005015
15 W/O DESCRIPTION HONDA GCV160-LABHH FOR SERVICE & PARTS 1-800-426-7701
Engine, Briggs & Stratton Model No. 121002-1423-B8 435278) (Order parts from engine manufacturer)
000000000
44 MATICE 873510600
VALVE 532124718