We deliver to more than 25 countries
info@sgarden.cz
We focus especially on spare parts, just click!
Log in
/
Registration
Sign In
E-mail:
Password:
Stay logged in
Log in
Forgot your password?
I'm new here:
register
/
Log off
EN
€
CS
EN
€
Kč
Your
CART
Awaiting fulfillment
ks
Empty cart
Order
Are you
sure
to empty your cart?
Yes, empty
I don't want to
,
,
Spare parts
Everything for your machines
Spare parts
>
Jonsered
>
CHAIN SAWS
>
2055 2055, 1998-10
>
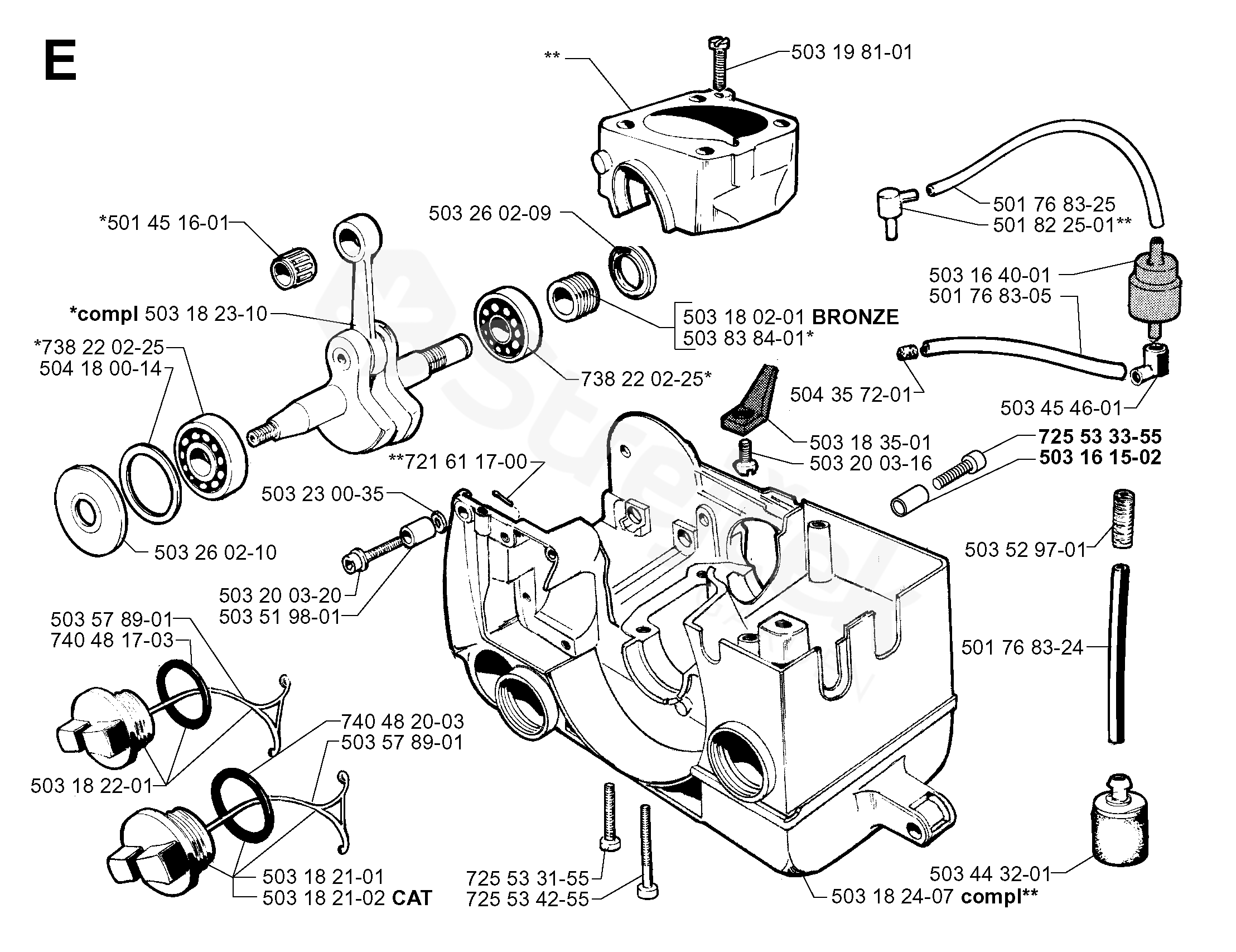
CRANKCASE
Back to
2055
2055, 1998-10
CRANKCASE
2055
2055, 1998-10
Hover mouse on parts list
Wheel:
Zoom, left button:
Movement
Other parts
For
2055, 1998-10
501451601
JEHLOVÉ LOŽISKO
501451601
501768305
FUEL HOSE
501768305
501768324
FUEL HOSE
501768324
501768325
FUEL HOSE
501768325
501822501
FITTING
501822501
503161502
SPACER
503161502
503164001
ODVZDUŠNĚNÍ NÁDRŽE
503164001
503180201
PUMP PINION
BRONZE
503180201
503182101
TANK CAP ASSY
503182101
503182102
TANK CAP ASSY CAT
CAT
503182102
503182201
TANK CAP ASSY
503182201
503182310
CRANKSHAFT
503182310
503182407
CRANKCASE ASSY
503182407
503183501
CHAIN CATCHER
503183501
503198101
PIN SCREW
503198101
503200316
SCREW IHSCFM
503200316
503200320
SCREW IHSCFM
503200320
503230035
WASHER
503230035
503260209
SEALING RING
503260209
503260210
SEALING RING
503260210
503443201
FILTER
503443201
503454601
CONNECTION BEND
503454601
503519801
SPACING SLEEVE
503519801
503529701
SPRING
503529701
503578901
HOLDER
503578901
503838401
PUMP PINION
503838401
504180014
CIRCLIP
504180014
504357201
PLUG
504357201
721611700
SPLIT PIN
721611700
725533155
SCREW IHSCM
725533155
725533355
SCREW IHSCM
725533355
725534255
SCREW IHSCM
725534255
738220225
BALL BEARING
738220225
740481703
O-RING
740481703
740482003
O-KROUŽEK
740482003